SKF22208EK+AH308*轴承详细参数

发布时间:2026-04-14
球面滚子轴承, 带退卸套的
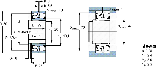
主要数据尺寸 基本负荷额定值 疲劳负荷限值 额定速度 体积 型号
动态 静态 参照速度 限制速度 轴承 +退卸套
d1 D B C C0 Pu
* - SKF Explorer 轴承
mm kN kN r/min kg -
35802396,5909,88000110000,6022208 EK + AH 308 *

SKF22208EK+AH308*球面滚子轴承供应商

八零动力专业销售22208EK+AH308*球面滚子轴承,库存SKF22208EK+AH308*大量现货,与SKF合作,咨询热线:022-58519723业务咨询
SKF22208EK+AH308*它的抗变形能力,让它在高负载下依然保持形状 它的静音设计,让机械运转如丝般顺滑 它的径向跳动控制,达到了行业顶尖水平 性能卓越的它,为机械设备的稳定运行提供了可靠保障卓越的性能和可靠的质量,让这款轴承成为市场的宠儿是您机械世界里的不败功臣,,八零动力SKF球面滚子轴承品种全,价格优,质量有保证!

用户关注最多的SKF轴承型号

SKF23034CC/W33 SKF23196CACK/W33 SKF52412 SKF6213-2Z/VA208 SKF71810CD/P4A SKFBC2-8012/HB1VJ202 SKFCR5072 SKFNA4822 SKFNJ311E SKFNNF5030ADA-2LSV SKFNU2315ECML* SKFOKF110 SKFS7015ACD/P4A SKFSC71914DB/P7 SKFSYE2N

22208EK+AH308*球面滚子轴承近似的SKF轴承型号

SKF22208E* SKF22208E/W64* SKF22208EK+H308* SKF22208EK* SKF22208EK+AH308* SKF22208EK* SKF22208EK+H308*

用户关注最多的轴承狗热门型号

NACHI  6310N STEYR  N309 国产  NKIA5901 FAG  7321-B-MP NACHI  23218EX1 BARDEN  7013AC/DF NSK  6007T1X SKF  NJ1064MA SNFA  71906C TIMKEN  93787/93127CD/X3S-93787 NTN  NNU4996 BARDEN  7208C FLT  7207B SKF  CR20X42X10HMS5RG NSK  6088M

版权所有©2009-2015 轴承狗zcgou.com ICP备案:津ICP备14004550号-13