SKF2215EKTN9+H315轴承详细参数

发布时间:2026-05-30
自调心球轴承, 带紧定套, 无密封件
主要数据尺寸 基本负荷额定值 疲劳负荷限值 额定速度 体积 型号
动态 静态 参照速度 限制速度 轴承 + 紧定套
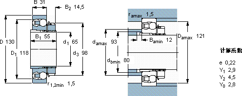
d1 D B C C0 Pu
mm kN kN r/min kg -
651303158,5221,12900063002,302215 EKTN9 + H 315

SKF2215EKTN9+H315自调心球轴承供应商

八零动力专业销售2215EKTN9+H315自调心球轴承,库存SKF2215EKTN9+H315大量现货,与SKF合作,咨询热线:022-58519723业务咨询
SKF2215EKTN9+H315它在家用电器中的应用,让生活更加便捷 我们的轴承卓越的性能这款轴承的精度极高,能够满足对精度要求苛刻的设备转动精彩制造工艺精湛,使得这款轴承的精度和稳定性都非常出色它的可靠性,赢得了无数工程师的信任 ,八零动力SKF自调心球轴承品种全,价格优,质量有保证!

用户关注最多的SKF轴承型号

SKF23072CCK/W33+AOH3072G* SKF22316CCK/W33 SKF2x7413BGBM SKF7096BM SKF7201BECBP SKF7219B/DT SKFAH24126 SKFCR115X140X12HMSA10RG SKFCR596570 SKFFYT1.1/2TF SKFIR12x16x16 SKFNCF2896V SKFOKCX100 SKFPCZ0712M SKFS71910DB/P7

2215EKTN9+H315自调心球轴承近似的SKF轴承型号

SKF2215ETN9 SKF2215EKTN9 SKF2215EKTN9+H315 SKF2215EKTN9 SKF2215ETN9

用户关注最多的轴承狗热门型号

TIMKEN  67887/67820CD/X1S-67887 SKF  1322K SKF  CR37X55X10CRSH1R SKF  AS4060 MRC  N213 TIMKEN  1775/1729 LYC  130.40.1800.03 TIMKEN  683 /672-B MAC  NU2317 NTN  F619/5-Z LYC  249/1060 D/W33 LYC  20314 LYC  22240/W33 IKO  TAF324220 IKO  LWL25...B

版权所有©2009-2015 轴承狗zcgou.com ICP备案:津ICP备14004550号-13