SKF2213EKTN9+H313轴承详细参数

发布时间:2026-04-14
自调心球轴承, 带紧定套, 无密封件
主要数据尺寸 基本负荷额定值 疲劳负荷限值 额定速度 体积 型号
动态 静态 参照速度 限制速度 轴承 + 紧定套
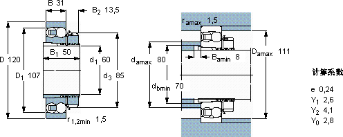
d1 D B C C0 Pu
mm kN kN r/min kg -
601203157,2201,021000070001,802213 EKTN9 + H 313

SKF2213EKTN9+H313自调心球轴承供应商

八零动力专业销售2213EKTN9+H313自调心球轴承,库存SKF2213EKTN9+H313大量现货,与SKF合作,咨询热线:022-58519723业务咨询
SKF2213EKTN9+H313优秀的设计和卓越的性能,让这款轴承备受青睐它的故障率极低,确保了设备的稳定运行 品质卓越它的高效率,让机械运转更加节能 它在汽车工业中的应用,让车辆运行更加平稳 它的稳定性,让它在各种环境下都能可靠工作 ,八零动力SKF自调心球轴承品种全,价格优,质量有保证!

用户关注最多的SKF轴承型号

SKF2302 SKF23228CCK/W33+H2328* SKF7010CE/P4A SKF7340BCBM SKF81292 SKFCR10157 SKFCR15093 SKFCR22X35X7HMS5RG SKFCR320x360x18HDS1R SKFCR50X80X10HMS5RG SKFCR40X62X10HMSA10RG SKFFYTB45FM SKFNCF1860V SKFNU234ECM* SKFSYM1.7/16TF/AH

2213EKTN9+H313自调心球轴承近似的SKF轴承型号

SKF2213E-2RS1TN9 SKF2213EKTN9+H313 SKF2213E-2RS1KTN9 SKF2213E-2RS1KTN9+H313C SKF2213EKTN9 SKF2213ETN9 SKF2213EKTN9 SKF2213ETN9

用户关注最多的轴承狗热门型号

SKF  6204-2Z FAG  22344-A-MA-T41A 国产  29344 FAG  H3332-HG SKF  NUP2315E DKF  7324B/DB SKF  NJ220ECP NSK  NJ2218W TORRINGTON  22206CC/W33 TIMKEN  RAL008NPPB SKF  NJ204ECML FAG  BND2224-Z-Y-BF-S SKF  CR99364 TIMKEN  RA012RR NTN  7324B

版权所有©2009-2015 轴承狗zcgou.com ICP备案:津ICP备14004550号-13