SKF2212EKTN9轴承详细参数

发布时间:2026-05-30
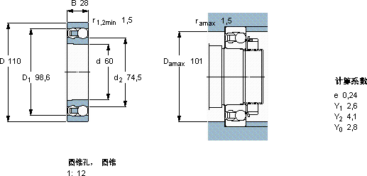
自调心球轴承, 圆柱孔和圆锥孔, 圆锥型内孔, 无密封件
主要数据尺寸 基本负荷额定值 疲劳负荷限值 额定速度 体积 型号
动态 静态 参照速度 限制速度
d D B C C0 Pu
mm kN kN r/min kg -
601102848,8170,881100080001,052212 EKTN9

SKF2212EKTN9自调心球轴承供应商

八零动力专业销售2212EKTN9自调心球轴承,库存SKF2212EKTN9大量现货,与SKF合作,咨询热线:022-58519723业务咨询
SKF2212EKTN9这轴承的质量过硬,经得起时间和高强度工作的考验它的精密制造工艺,让人叹为观止 它在纺织机械中的应用,确保了设备的高速运转 优秀的轴承,就像精密仪器的心脏,确保着整个系统的高效运转该轴承的性能卓越,完全满足了各种严苛工况的需求它的承载能力,堪称机械界的“大力士” ,八零动力SKF自调心球轴承品种全,价格优,质量有保证!

用户关注最多的SKF轴承型号

SKF1309ETN9 SKF23128CC/W33* SKF6200-2Z* SKF6408N SKFBTM60B/HCP4CDBA SKFCR28x42x7CRW1R SKFCR51x92x11.13CRWH1R SKFCR99372 SKFHK1014.2RS SKFHK2820.2RS SKFL44649/610/Q SKFPWM100115100 SKFRIS208A SKFSNL319TURU SKFSYR2.-3

2212EKTN9自调心球轴承近似的SKF轴承型号

SKF2212ETN9 SKF2212EKTN9+H312 SKF2212E-2RS1KTN9 SKF2212EKTN9 SKF2212E-2RS1TN9 SKF2212E-2RS1KTN9+H312C SKF2212K+H312 SKF2212EKTN9+H312

用户关注最多的轴承狗热门型号

NSK  53315U LYC  30211 X2 KOYO  633 NTN  NNU4996K SKF  WS81164 FAG  20232-MB FAG  BND3030-H-W-T-AL-S SKF  SC7015DB/P7 国产  K38*46*20 FAG  BND3132-H-W-T-AL-S SKF  61802-RS TIMKEN  JW5049/JW5010 TIMKEN  SM1307KS SKF  HE3132L IKO  CF-RU1-12-1

版权所有©2009-2015 轴承狗zcgou.com ICP备案:津ICP备14004550号-13