SKF2207EKTN9+H307轴承详细参数

发布时间:2026-04-14
自调心球轴承, 带紧定套, 无密封件
主要数据尺寸 基本负荷额定值 疲劳负荷限值 额定速度 体积 型号
动态 静态 参照速度 限制速度 轴承 + 紧定套
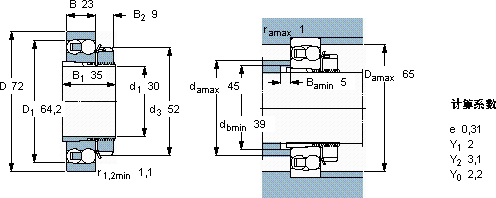
d1 D B C C0 Pu
mm kN kN r/min kg -
30722330,78,80,4618000120000,542207 EKTN9 + H 307

SKF2207EKTN9+H307自调心球轴承供应商

八零动力专业销售2207EKTN9+H307自调心球轴承,库存SKF2207EKTN9+H307大量现货,与SKF合作,咨询热线:022-58519723业务咨询
SKF2207EKTN9+H307这款轴承的精度极高,能够满足对精度要求苛刻的设备它的低摩擦设计,减少了能量损耗 质量上乘的轴承,为设备的高效稳定运行奠定了基础它的每一次转动,都是对精准度的极致追求 其设计和制造工艺都达到了国际先进水平,是一款优质轴承它的润滑技术,让摩擦降至最低 ,八零动力SKF自调心球轴承品种全,价格优,质量有保证!

用户关注最多的SKF轴承型号

SKF51418M SKF70/850AMB SKFBT2B328796 SKFBT2B332831 SKFCR61210 SKFHE2310 SKFHMVC11E SKFNU320ECP SKFNUP209ECP* SKFPCM030405B/VB055 SKFSAF23026KAx4.1/2 SKFSAW23538X7 SKFSY3/4TF/VA201 SKFW6200-2RS1 SKFWEEX002

2207EKTN9+H307自调心球轴承近似的SKF轴承型号

SKF2207E-2RS1TN9 SKF2207E-2RS1KTN9+H307C SKF2207EKTN9+H307 SKF2207E-2RS1KTN9 SKF2207EKTN9 SKF2207ETN9 SKF2207EKTN9 SKF2207ETN9

用户关注最多的轴承狗热门型号

SKF  FBSA210A/QBC LYC  NA 329120/329173 D NTN  7211AC/DF TORRINGTON FAFNIR  6009-RS LYC  RN 219 M TORRINGTON  23260CACK/W33 INA  KUVE30-B-L KOYO  NU2209E 国产  K18*26*16 SKF  OKBS50 国产  7221BTN1 NTN  NU2207 TIMKEN  6277/6220-B SNR  31313 IKO  CF10VM

版权所有©2009-2015 轴承狗zcgou.com ICP备案:津ICP备14004550号-13