SKF2205EKTN9轴承详细参数

发布时间:2026-04-14
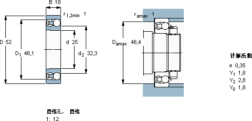
自调心球轴承, 圆柱孔和圆锥孔, 圆锥型内孔, 无密封件
主要数据尺寸 基本负荷额定值 疲劳负荷限值 额定速度 体积 型号
动态 静态 参照速度 限制速度
d D B C C0 Pu
mm kN kN r/min kg -
25521816,84,40,2326000180000,162205 EKTN9

SKF2205EKTN9自调心球轴承供应商

八零动力专业销售2205EKTN9自调心球轴承,库存SKF2205EKTN9大量现货,与SKF合作,咨询热线:022-58519723业务咨询
SKF2205EKTN9它的轻量化设计,减少了材料的使用 为您的工程保驾护航,就是选择高效与可靠它的密封性能,减少了润滑剂的泄漏 先进的生产工艺,打造出了这款性能卓越的轴承优秀的设计和卓越的性能,让这款轴承备受青睐,八零动力SKF自调心球轴承品种全,价格优,质量有保证!

用户关注最多的SKF轴承型号

SKF240/950CAF/W33 SKF54307 SKF6012N* SKFBT4B328564/HA4 SKFCR47X70X10HMS5RG SKFCR59999 SKFNK28/20 SKFNCF3060CV SKFNU215E SKFPCMF252821.5E SKFPCZ3632M SKFPWM200220180 SKFSALA70ES-2RS SKFSAW23540 SKFSIKB10F/VZ019

2205EKTN9自调心球轴承近似的SKF轴承型号

SKF2205EKTN9 SKF2205ETN9 SKF2205E-2RS1TN9 SKF2205E-2RS1KTN9 SKF2205E-2RS1TN9/W64 SKF2205E-2RS1KTN9+H305C SKF2205EKTN9+H305 SKF2205K+H305 SKF2205EKTN9+H305

用户关注最多的轴承狗热门型号

INA  PAP9060-P14 FAG  32230-A MRC  6218 SKF  KMFE15L FAG  BND3140-H-W-T-AF-S MRC  3311 FLT  7340B KOYO  7028C/DF FAG  SNV080-L + 20208-TVP + FSV208 LYC  AK 32310 LYC  6204 E/C9 TIMKEN  HH224334/HH224310CD TORRINGTON  AS4060 FAG  BND2215-H-C-T-BF-S INA  ZSL192305

版权所有©2009-2015 轴承狗zcgou.com ICP备案:津ICP备14004550号-13