SKF21316EK+AH316*轴承详细参数

发布时间:2026-05-30
球面滚子轴承, 带退卸套的
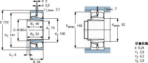
主要数据尺寸 基本负荷额定值 疲劳负荷限值 额定速度 体积 型号
动态 静态 参照速度 限制速度 轴承 +退卸套
d1 D B C C0 Pu
* - SKF Explorer 轴承
mm kN kN r/min kg -
751703932537539380053004,7521316 EK + AH 316 *

SKF21316EK+AH316*球面滚子轴承供应商

八零动力专业销售21316EK+AH316*球面滚子轴承,库存SKF21316EK+AH316*大量现货,与SKF合作,咨询热线:022-58519723业务咨询
SKF21316EK+AH316*是您机械世界里的不败功臣,旋转无忧这款轴承的性能卓越,有效提升了设备的整体性能和可靠性稳定的传奇这款轴承的性能卓越,有效提高了设备的运行可靠性精湛的制造工艺赋予了这款轴承卓越的性能和品质 ,八零动力SKF球面滚子轴承品种全,价格优,质量有保证!

用户关注最多的SKF轴承型号

SKF2208ETN9 SKF3321 SKF6313-2RS1* SKF7212CD/P4A SKFBVNB328883/HA1 SKFCR22407 SKFCR85885 SKFCR99062 SKFHE316E SKFNKI6/12TN SKFNU1040MA SKFNU2312ECML* SKFP1.1/4RM SKFPCM110115115M SKFSAFC2511

21316EK+AH316*球面滚子轴承近似的SKF轴承型号

SKF21316EK+AH316* SKF21316E* SKF21316EK* SKF21316EK+H316* SKF21316EK* SKF21316EK+H316*

用户关注最多的轴承狗热门型号

TIMKEN  96900/96140CD FAG  SNV240-L + 22322-E1-K + H2322 + FSV522 SKF  NA4828 FAG  SNV215-L + 23224-E1-TVPB + DH224 LYC  23122/F3 SKF  626-2RSL FAG  SNV100-L + 20211-K-TVP-C3 + H211 + DH511 SKF  29344 TIMKEN  74537/74851CD+X1S-74537 NTN  2215K 国产  NJ318ETN1 NTN  7224B NACHI  NJ2209EG LYC  LY-3052 NSK  22322HKE4

版权所有©2009-2015 轴承狗zcgou.com ICP备案:津ICP备14004550号-13