SKF21315EK+H315*轴承详细参数

发布时间:2026-05-30
球面滚子轴承, 带紧定套的
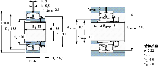
主要数据尺寸 基本负荷额定值 疲劳负荷限值 额定速度 体积 型号
动态 静态 参照速度 限制速度 轴承 + 紧定套
d1 D B C C0 Pu
* - SKF Explorer 轴承
mm kN kN r/min kg -
651603728532534,5400056004,5021315 EK + H 315 *

SKF21315EK+H315*球面滚子轴承供应商

八零动力专业销售21315EK+H315*球面滚子轴承,库存SKF21315EK+H315*大量现货,与SKF合作,咨询热线:022-58519723业务咨询
SKF21315EK+H315*设计合理、性能优良的它,是机械设备稳定运行的重要保障它虽小,却是工业革命的基石 它的径向跳动控制,达到了行业顶尖水平 成就非凡转动体验让您的设备一顺到底,它的润滑技术,让摩擦降至最低 这轴承的稳定性极佳,在高速运转时也能保持良好状态,八零动力SKF球面滚子轴承品种全,价格优,质量有保证!

用户关注最多的SKF轴承型号

SKF16072MA SKF32234 SKF7038AC/DT SKF71815CD/HCP4A SKF71830CD/P4A SKFAOH240/530G SKFBCSB322810 SKFCR14209 SKFFNL515B SKFGEZ108TXE-2LS SKFNKIB5903 SKFOH3976HE SKFNU411 SKFOKBS108 SKFSYE3.1/2NH

21315EK+H315*球面滚子轴承近似的SKF轴承型号

SKF21315EK+AH315G* SKF21315EK+H315* SKF21315E* SKF21315EK* SKF21315EK+AH315G* SKF21316CC

用户关注最多的轴承狗热门型号

FAG  BND3030-H-W-Y-AF-S FAG  NUP311-E-TVP2 STEYR  7236B/DB FAG  SNV300-L + 20328-MB + DHV328 SNFA  7002C GMN  71944C/DT ZKL  7312B SNR  6010 国产  LB80A-AJA SKF  BK1012RS FAG  SNV062-L + 22206-E1-K + H306X100 + FSV506 FAG  SNV140-L + 2313-K-TVH-C3 + H2313 + TCV613 SKF  216 LYC  NNU 4964K/W33 IKO  LRT121616

版权所有©2009-2015 轴承狗zcgou.com ICP备案:津ICP备14004550号-13