SKF21311EK+AHX311*轴承详细参数

发布时间:2026-05-30
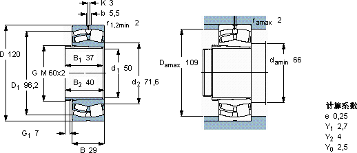
球面滚子轴承, 带退卸套的
主要数据尺寸 基本负荷额定值 疲劳负荷限值 额定速度 体积 型号
动态 静态 参照速度 限制速度 轴承 +退卸套
d1 D B C C0 Pu
* - SKF Explorer 轴承
mm kN kN r/min kg -
501202915616618,6560075001,8021311 EK + AHX 311 *

SKF21311EK+AHX311*球面滚子轴承供应商

八零动力专业销售21311EK+AHX311*球面滚子轴承,库存SKF21311EK+AHX311*大量现货,与SKF合作,咨询热线:022-58519723业务咨询
SKF21311EK+AHX311*制造工艺精湛,使得这款轴承的精度、稳定性和耐用性都非常出色稳定持久品质卓越它的故障率极低,确保了设备的稳定运行 顺滑无声性能优越的轴承,极大地提高了设备的工作效率和稳定性,八零动力SKF球面滚子轴承品种全,价格优,质量有保证!

用户关注最多的SKF轴承型号

SKF23076CCK/W33+AOH3076G* SKF2318KM+H2318 SKF2x7322BECBY SKF54209 SKF626-2Z* SKF71805ACD/P4 SKF71910CE/HCP4A SKF71922AC SKF7216BECBY SKF7315BECBY SKFCR150X180X15HMSA10V SKFCR340x380x18HDS2V SKFCR5151 SKFNJ209ECP* SKFNJ2220E+HJ2220E

21311EK+AHX311*球面滚子轴承近似的SKF轴承型号

SKF21311EK+H311* SKF21311EK+AHX311* SKF21311E/W64* SKF21311EK* SKF21311E* SKF21311EK* SKF21311EK+H311*

用户关注最多的轴承狗热门型号

NSK  LM809525-1 NSK  NUP234EM SNR  7315AC/DF RHP  6214-2RS NACHI  23180EW33 INA  K81236-M SKF  51105V/HR22T2 FAG  230/500-B-MB FAG  SNV200-L + 1222-K-M-C3 + H222X315 + TSV522 SKF  NNU4996/W33 TIMKEN  842/832-B LYC  6203 E SKF  6208-RZ* SKF  CR16257 MAC  NU10/500

版权所有©2009-2015 轴承狗zcgou.com ICP备案:津ICP备14004550号-13