SKF21309EK+H309*轴承详细参数

发布时间:2026-04-14
球面滚子轴承, 带紧定套的
主要数据尺寸 基本负荷额定值 疲劳负荷限值 额定速度 体积 型号
动态 静态 参照速度 限制速度 轴承 + 紧定套
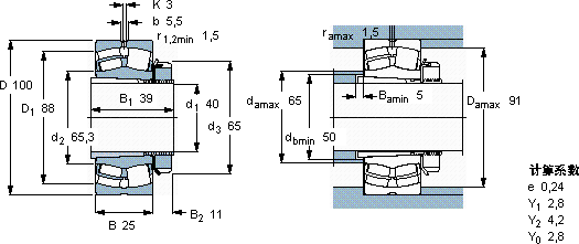
d1 D B C C0 Pu
* - SKF Explorer 轴承
mm kN kN r/min kg -
401002512512713,7630085001,2021309 EK + H 309 *

SKF21309EK+H309*球面滚子轴承供应商

八零动力专业销售21309EK+H309*球面滚子轴承,库存SKF21309EK+H309*大量现货,与SKF合作,咨询热线:022-58519723业务咨询
SKF21309EK+H309*引领转动新潮流,它在家用电器中的应用,让生活更加便捷 让您的机械如虎添翼,它的抗疲劳性能,确保了长期使用的可靠性 它的精准度,让机械运转分毫不差 制造工艺精湛,使得这款轴承在运转时更加顺畅平稳,八零动力SKF球面滚子轴承品种全,价格优,质量有保证!

用户关注最多的SKF轴承型号

SKF3203A-2Z SKF5211E-2Z SKF7003CD/P4A SKFBC4-8002/HA6 SKFC71910FB/P7 SKFFYTB30WF SKFK16x20x10 SKFN321ECP* SKFNJ2313E+HJ2313E SKFNN3088K/W33 SKFNNC4972CV SKFNNU4938/W33 SKFNUP203E SKFOKBS101 SKFYET207/VL065

21309EK+H309*球面滚子轴承近似的SKF轴承型号

SKF21309E* SKF21309EK* SKF21309EK+H309* SKF21309EK+AH309* SKF21309EK+AH309* SKF21310CC

用户关注最多的轴承狗热门型号

NSK  UCP205D1 KOYO  7022C/DT KOYO  6460/20 INA  PAP3030-P11 RIV  N409 SKF  NAO9x22x12TN FAG  HCS71914-E-T-P4S 国产  591/600 SKF  31308 FAG  HCB7202-E-T-P4S NTN  UKFLU212+H2312 NMB  R-720ZZ TIMKEN  67790/67720CD/X2S-67790 IKO  CF30-2VBUU IKO  BRI527632U

版权所有©2009-2015 轴承狗zcgou.com ICP备案:津ICP备14004550号-13