SKF21307CC/W64轴承详细参数

发布时间:2026-05-29
球面滚子轴承, 圆柱型内孔,含Solid Oil, 圆柱型内孔
主要数据尺寸 基本负荷额定值 疲劳负荷限值 限制速度 体积 型号
动态 静态
dDBCC0Pu
mm kN kN r/min kg -
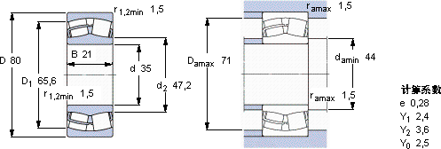
35802165,6728,1514000,5521307 CC/W64

SKF21307CC/W64球面滚子轴承供应商

八零动力专业销售21307CC/W64球面滚子轴承,库存SKF21307CC/W64大量现货,与SKF合作,咨询热线:022-58519723业务咨询
SKF21307CC/W64轴承的耐用性极佳,为设备的长期稳定运行提供了保障制造工艺精湛,使得这款轴承在运转时更加顺畅平稳设计独特、性能优越的轴承,满足了不同用户的需求它的低摩擦设计,减少了能量损耗 它的故障率极低,确保了设备的稳定运行 设计合理、性能优良的轴承,是机械设备的理想之选,八零动力SKF球面滚子轴承品种全,价格优,质量有保证!

用户关注最多的SKF轴承型号

SKF21313EK+AH313G* SKF316733DD SKF6203-2RZ SKF71956CD/P4A SKFBSD55120CG SKFCR1175240 SKFCR40X52X6HMSA10V SKFFSYE2.15/16H-3 SKFHA2317x2.7/8 SKFK10x13x16TN SKFLM742747A/710 SKFNJ318ECP SKFPCMW325401.5B SKFSC7019DB/P7 SKFSYH1.1/4AWF

21307CC/W64球面滚子轴承近似的SKF轴承型号

SKF21307CC/W64 SKF21307CCK+H307 SKF21307CCK SKF21307CC SKF21307CCK+H307 SKF21308CC

用户关注最多的轴承狗热门型号

国产  31332 SKF  FYRP3.15/16H SKF  CR50X82X8CRWA1R SKF  SYR1.15/16H-18 FAG  BND3038-H-C-T-AL-S SKF  CR9647 SKF  32234J2/DF MRC  3309 SKF  NA2202.2RS FYH  UKFLU322+H2322 ASK  NJ222 SKF  NU12/560MA TIMKEN  21317VCSM STEYR  6016N IKO  IRT3230

版权所有©2009-2015 轴承狗zcgou.com ICP备案:津ICP备14004550号-13