SKF210NR轴承详细参数

发布时间:2026-05-30
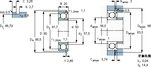
深沟球轴承, 单列,带装球缺口和止动环槽, 无密封件
主要数据尺寸 基本负荷额定值 疲劳负荷限值 额定速度 体积 型号
动态 静态 参照速度 限制速度 轴承,带止动环 止动环
d D B C C0 Pu
mm kN kN r/min kg -
50902039,134,51,461300080000,50210 NRSP 90

SKF210NR深沟球轴承供应商

八零动力专业销售210NR深沟球轴承,库存SKF210NR大量现货,与SKF合作,咨询热线:022-58519723业务咨询
SKF210NR高品质的轴承,在各种复杂环境下都能稳定发挥作用它的轴向跳动控制,确保了机械的平稳运行 它在建筑机械中的应用,确保了设备的可靠性 它的精密设计,展现了人类智慧的巅峰 它在冶金设备中的应用,确保了设备的高温性能 轴承的耐用性超乎想象,有效降低了设备的维护成本,八零动力SKF深沟球轴承品种全,价格优,质量有保证!

用户关注最多的SKF轴承型号

SKF208-2ZNR SKF230/900CA/W33 SKF61868MA SKF7011ACD/HCP4A SKF708/600AGMB SKFCR23770 SKFCR29862 SKFCR403254 SKFFNL516B SKFH3934 SKFNCF29/630V SKFNKI7/16TN SKFNKS43 SKFS71906FB/P7 SKFZ006F

210NR深沟球轴承近似的SKF轴承型号

SKF6210/VA201 SKF6210-2ZN SKF6210-2Z/VA208 SKF6210NR* SKFW6210 SKF6210-RS1* SKF6210-2RS SKF6210* SKF210 SKF210-ZNR SKF210-ZNR SKF211

用户关注最多的轴承狗热门型号

LYC  LM249747TD/LM249710/P6/S1 国产  2306 SKF  PWM404860 KOYO  7320AC/DF MRC  3321 NSK  CM-UCF217D1 LYC  7204 CM GMN  7219AC/DF LYC  010.30.560.12 TORRINGTON  24076CACK30/W33 TIMKEN  EE542220/542291CD INA  PAP2215-P14 TIMKEN  220W SKF  BT4-8057G/HA1VA901 SNR  31313

版权所有©2009-2015 轴承狗zcgou.com ICP备案:津ICP备14004550号-13