SKF16101-2Z轴承详细参数

发布时间:2026-04-14
深沟球轴承, 单列, 两面防尘罩
主要数据尺寸 基本负荷额定值 疲劳负荷限值 额定速度 体积 型号
动态 静态 参照速度 限制速度
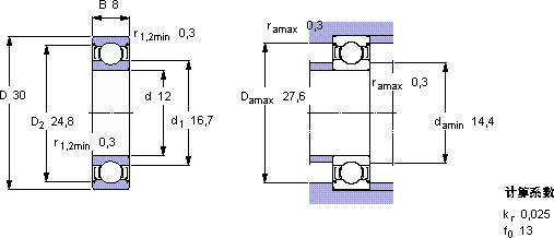
d D B C C0 Pu
mm kN kN r/min kg -
123085,072,360,156000280000,02316101-2Z

SKF16101-2Z深沟球轴承供应商

八零动力专业销售16101-2Z深沟球轴承,库存SKF16101-2Z大量现货,与SKF合作,咨询热线:022-58519723业务咨询
SKF16101-2Z它的抗压强度,让它承载能力惊人 该轴承的性能卓越,完全满足了各种严苛工况的需求它的品质卓越,是提升机械设备整体性能的关键所在承载未来旋转不息它的品质卓越,为机械设备的高效运行提供了坚实后盾,八零动力SKF深沟球轴承品种全,价格优,质量有保证!

用户关注最多的SKF轴承型号

SKF22226CCK/W33 SKF23192CACK/W33 SKF2x7317BEGAP* SKF32309BRJ2/QCL7C SKF71809ACD/HCP4 SKF7224AC/DT SKFBT4B331950/HA4 SKFCR560x600x18HDS2R SKFFYRP2H-18 SKFNJ408MA SKFNNU4934B/SPW33 SKFS71908DB/P7 SKFSDAF22538x7 SKFSY1.1/4TR SKFTU2.3/16WF

16101-2Z深沟球轴承近似的SKF轴承型号

SKF16101-2RS1 SKF16101-2Z SKF16101 SKF16101-2RS1 SKF16115

用户关注最多的轴承狗热门型号

SKF  22326CC/W33 TIMKEN  300FS430-SS NTN  NU2205 SKF  BMB-6204/048S2/EA002A MRC  7203B/DF 国产  53210U SNR  6218-2Z INA  SL024968 DKF  7201B 国产  N2876/S0YA KOYO  6030-2RS LYC  M270449DW/270410/270410D INA  IR25X30X20 SKF  C2315* SKF  7217BECBY

版权所有©2009-2015 轴承狗zcgou.com ICP备案:津ICP备14004550号-13