SKF16068MA轴承详细参数

发布时间:2026-05-30
深沟球轴承, 单列, 无密封件
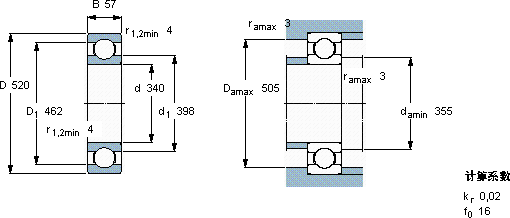
主要数据尺寸 基本负荷额定值 疲劳负荷限值 额定速度 体积 型号
动态 静态 参照速度 限制速度
d D B C C0 Pu
mm kN kN r/min kg -
3405205734552010,62400200045,016068 MA

SKF16068MA深沟球轴承供应商

八零动力专业销售16068MA深沟球轴承,库存SKF16068MA大量现货,与SKF合作,咨询热线:022-58519723业务咨询
SKF16068MA减少摩擦降低能耗高品质的轴承,在各种复杂工况下都能展现出卓越的性能表现它的表面硬化处理,延长了它的使用寿命 其质量上乘,是众多机械设备不可或缺的优质配件它的微观表面处理,减少了摩擦和磨损 坚固耐用,八零动力SKF深沟球轴承品种全,价格优,质量有保证!

用户关注最多的SKF轴承型号

SKF23044CC/W33 SKF2317K SKF241/710ECA/W33 SKF2x7317BEGAM* SKF33018/QDFC150 SKF7005ACE/P4A SKF7018FB/P7 SKFCR401802 SKFH207 SKFNNCL4860CV SKFNUP224ECJ* SKFPCZ1014M SKFSAKAC30M SKFSDAF23172 SKFWEEXB002-2Z

16068MA深沟球轴承近似的SKF轴承型号

SKF16068MA SKF16068 SKF16068MA SKF16068MA SKF16072

用户关注最多的轴承狗热门型号

KOYO  2789R/35X TIMKEN  395-S/394 TIMKEN  140RT30 FAG  SNV200-L + 21319-E1-K-TVPB + H319X306 + TCV519X306 INA  GS81211 KOYO  7012AC/DF NSK  7926A5 LYC  352230 SKF  CR40x72x8CRW1R MRC  7006AC TIMKEN  SMN415WS-BR ZKL  7204B/DT SKF  141 RIV  NU1036 IKO  CRW4-240SL

版权所有©2009-2015 轴承狗zcgou.com ICP备案:津ICP备14004550号-13