SKF16064MA轴承详细参数

发布时间:2026-04-14
深沟球轴承, 单列, 无密封件
主要数据尺寸 基本负荷额定值 疲劳负荷限值 额定速度 体积 型号
动态 静态 参照速度 限制速度
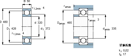
d D B C C0 Pu
mm kN kN r/min kg -
320480502814058,652600220034,016064 MA

SKF16064MA深沟球轴承供应商

八零动力专业销售16064MA深沟球轴承,库存SKF16064MA大量现货,与SKF合作,咨询热线:022-58519723业务咨询
SKF16064MA制造工艺精湛,使得这款轴承在运转时更加顺畅平稳设计独特的轴承,不仅性能优越,还具有很高的性价比为您的设备保驾护航,让机械运转无忧卓越的性能表现,使这款轴承在市场上拥有良好的口碑它的品质卓越,是提升机械设备整体性能的关键所在它的低噪音设计,减少了对环境的噪音污染 ,八零动力SKF深沟球轴承品种全,价格优,质量有保证!

用户关注最多的SKF轴承型号

SKF6005/HR11QN SKF6020-2Z/VA208 SKF6206-ZN SKF7008C/DB SKF71909CE/P4A SKFBK1614RS SKFC3180M* SKFCR3750272 SKFCR400085 SKFCR402506 SKFLR25x30x12.5 SKFNA2204.2RS SKFRN-2.5x23.8BF/G2 SKFSAL50ES-2RS SKFSNL3048G

16064MA深沟球轴承近似的SKF轴承型号

SKF16064 SKF16064MA SKF16064MA SKF16064MA SKF16068

用户关注最多的轴承狗热门型号

KOYO  23080RK+H3080 国产  UEL210 STEYR  2216 SNR  6213-2RS TIMKEN  34275/34481-B RIV  N204 INA  SL024948 FLT  NU228 TORRINGTON  22224CC/W33 TIMKEN  15126/15245 TIMKEN  19138 /19283-B NACHI  NJ2326E NSK  7307BYDB NTN  NJ1008 IKO  TA2116Z

版权所有©2009-2015 轴承狗zcgou.com ICP备案:津ICP备14004550号-13