SKF1315K+H315轴承详细参数

发布时间:2026-05-30
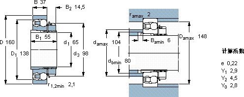
自调心球轴承, 带紧定套, 无密封件
主要数据尺寸 基本负荷额定值 疲劳负荷限值 额定速度 体积 型号
动态 静态 参照速度 限制速度 轴承 + 紧定套
d1 D B C C0 Pu
mm kN kN r/min kg -
651603779,3301,43800056004,201315 K + H 315

SKF1315K+H315自调心球轴承供应商

八零动力专业销售1315K+H315自调心球轴承,库存SKF1315K+H315大量现货,与SKF合作,咨询热线:022-58519723业务咨询
SKF1315K+H315轴承的耐用性出色,能够长时间保持良好的工作状态它的密封性能,完美抵御灰尘和杂质的侵袭 其质量上乘,是众多机械设备不可或缺的优质配件它的低摩擦设计,减少了能量损耗 轴承的耐用性强,减少了设备的停机维护时间它的尺寸精度,达到了微米级的极致 ,八零动力SKF自调心球轴承品种全,价格优,质量有保证!

用户关注最多的SKF轴承型号

SKF61819-2RS SKF7015CE/P4A SKF71914CD/HCP4A SKFCR407502 SKFCR60X90X10HMSA10V SKFFYJ30TF SKFHE222 SKFMS3172-68 SKFNN3036/SPW33 SKFNU1O15ML SKFPCMF141612B SKFPCZ4832M SKFS7026ACD/P4A SKFSAF22328 SKFSYNT75LTS

1315K+H315自调心球轴承近似的SKF轴承型号

SKF1315K+H315 SKF1315 SKF1315K SKF1315M SKF1315K+H315 SKF1315M

用户关注最多的轴承狗热门型号

NSK  7944A5TYNDBLP4 LYC  22234 K/C4W33 NMB  L-415ZZW52 TIMKEN  110RN02 TIMKEN  F-3093-A NTN  NUP2306E LYC  6304 EX1 SKF  SAW23526X4.3/8 国产  K14*18*13 SKF  238/1180CAFA/W20 KOYO  M383240D/210/210D 国产  UCHA203 NSK  NUP2214W NSK  7215ATYNSULP4 IKO  LWEG15

版权所有©2009-2015 轴承狗zcgou.com ICP备案:津ICP备14004550号-13