SKF1312EKTN9+H312轴承详细参数

发布时间:2026-05-30
自调心球轴承, 带紧定套, 无密封件
主要数据尺寸 基本负荷额定值 疲劳负荷限值 额定速度 体积 型号
动态 静态 参照速度 限制速度 轴承 + 紧定套
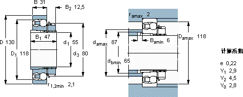
d1 D B C C0 Pu
mm kN kN r/min kg -
551303158,5221,12900063002,151312 EKTN9 + H 312

SKF1312EKTN9+H312自调心球轴承供应商

八零动力专业销售1312EKTN9+H312自调心球轴承,库存SKF1312EKTN9+H312大量现货,与SKF合作,咨询热线:022-58519723业务咨询
SKF1312EKTN9+H312就是选择高效与可靠这款轴承的精度极高,能够满足对精度要求苛刻的设备始终顺滑如初,它的故障率极低,确保了设备的稳定运行 它的材质选择,体现了对耐用性的极致追求 它的制造工艺,堪称工业艺术的典范 ,八零动力SKF自调心球轴承品种全,价格优,质量有保证!

用户关注最多的SKF轴承型号

SKF24030CCK30/W33 SKF2x7204BECBY SKF33018/QDFC150 SKF7008ACE/P4A SKF7209C SKFC2326K/VE240* SKFCR18734 SKFCR37X50X6HMS5V SKFEE285160/285226 SKFFBSA204/QFC SKFGS81238 SKFNCF3092CV SKFNKX25 SKFPCM283220M SKFSDAF22622x3.13/16

1312EKTN9+H312自调心球轴承近似的SKF轴承型号

SKF1312EKTN9+H312 SKF1312ETN9 SKF1312EKTN9 SKF1312EKTN9 SKF1312ETN9

用户关注最多的轴承狗热门型号

NACHI  53211U KOYO  4CR760 NTN  NUP2330 FAG  BND3126-H-W-T-AL-S MRC  61914 SKF  33219 MRC  7012AC FAG  SNV130-L + 22312-E1-K + H2312X202 + FSV612X202 FAG  BND3164-H-C-Y-AL-S BARDEN  7012AC/DF LYC  7397/2570K SKF  CR12404 DKF  7324B/DB NSK  6212ZZ TIMKEN  39236/39412

版权所有©2009-2015 轴承狗zcgou.com ICP备案:津ICP备14004550号-13