SKF1309EKTN9+H309轴承详细参数

发布时间:2026-05-30
自调心球轴承, 带紧定套, 无密封件
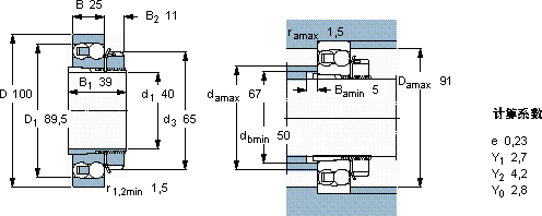
主要数据尺寸 基本负荷额定值 疲劳负荷限值 额定速度 体积 型号
动态 静态 参照速度 限制速度 轴承 + 紧定套
d1 D B C C0 Pu
mm kN kN r/min kg -
40100253913,40,71200085001,201309 EKTN9 + H 309

SKF1309EKTN9+H309自调心球轴承供应商

八零动力专业销售1309EKTN9+H309自调心球轴承,库存SKF1309EKTN9+H309大量现货,与SKF合作,咨询热线:022-58519723业务咨询
SKF1309EKTN9+H309为您的机械提供持久动力,制造工艺精湛,使得这款轴承的精度、稳定性和耐用性都非常出色它的抗疲劳性能,确保了长期使用的可靠性 它的品质卓越,为机械设备的高效运行提供了坚实后盾转动世界的精密之选,它的使用寿命,远超同类产品 ,八零动力SKF自调心球轴承品种全,价格优,质量有保证!

用户关注最多的SKF轴承型号

SKF248/1800CAK30FA/W20 SKF629/HR22T2 SKF7226C/DT SKFBT4B331077AG/HA1 SKFC3036K* SKFCR110X140X12HMS5RG SKFCR120X160X12HMSA10V SKFCR37332 SKFCR84094 SKFFSYE3.7/16N-118 SKFFYJ35TF SKFJM718149A/110/Q SKFK20x26x13 SKFNCF2948CV SKFNU1076

1309EKTN9+H309自调心球轴承近似的SKF轴承型号

SKF1309ETN9 SKF1309EKTN9+H309 SKF1309EKTN9 SKF1309EKTN9 SKF1309ETN9

用户关注最多的轴承狗热门型号

SKF  54307U ASAHI  UCFU207 SKF  MB18 SKF  PCM455030M 国产  N208M ZKL  NU305 KOYO  RS10/10 国产  HK/15*20*16YA 国产  22344 FAG  NUP238-E-M1 SKF  W6006-2Z FAG  SNV130-L + 2215-K-TVH-C3 + H315 + TCV515 SKF  CR9686 IKO  TAF223020 IKO  CRWM3-300

版权所有©2009-2015 轴承狗zcgou.com ICP备案:津ICP备14004550号-13