SKF1306EKTN9+H306轴承详细参数

发布时间:2026-04-14
自调心球轴承, 带紧定套, 无密封件
主要数据尺寸 基本负荷额定值 疲劳负荷限值 额定速度 体积 型号
动态 静态 参照速度 限制速度 轴承 + 紧定套
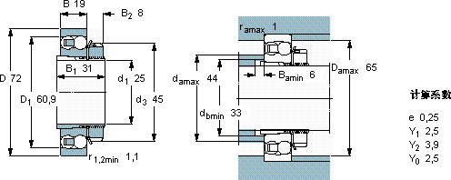
d1 D B C C0 Pu
mm kN kN r/min kg -
25721922,56,80,3619000130000,491306 EKTN9 + H 306

SKF1306EKTN9+H306自调心球轴承供应商

八零动力专业销售1306EKTN9+H306自调心球轴承,库存SKF1306EKTN9+H306大量现货,与SKF合作,咨询热线:022-58519723业务咨询
SKF1306EKTN9+H306它的耐磨性能,让它在恶劣环境下依然稳定运行 先进的制造技术和严格的质量检测,造就了这款优质轴承它在航空航天领域的应用,展现了它的高可靠性 优秀的设计让这款轴承在运行时更加高效节能这轴承的精度控制令人佩服,为设备的精准运行提供了保障旋转不息,八零动力SKF自调心球轴承品种全,价格优,质量有保证!

用户关注最多的SKF轴承型号

SKF22328CCKJA/W33VA405* SKF23180CACK/W33 SKF23244CCK/W33+AOH2344* SKF31314J2/QCL7CDF SKF62204-2RS1 SKF7005CD/P4A SKFBT4B328510/HA1 SKFC71919DB/P7 SKFCR15X24X7HMS5V SKFFSAF22311 SKFIR25x30x17 SKFNA2202.2RS SKFNU2256ECMA SKFSNL3252G SKFTUJ55TF

1306EKTN9+H306自调心球轴承近似的SKF轴承型号

SKF1306EKTN9 SKF1306ETN9 SKF1306EKTN9+H306 SKF1306EKTN9 SKF1306ETN9

用户关注最多的轴承狗热门型号

KOYO  NJ2322E+HJ2322E FAG  BND3252-H-C-T-BL-S FAG  SNV062-L + 21305-E1-TVPB + DH305 LYC  1797/235 FAG  KUG57,15 INA  KUVE30-B-SNL NSK  6248M INA  LR5201-2Z SKF  54410 INA  TSMW20 国产  82718ZW KINGON  K4×9×2.5 NTN  23292BK IKO  GBR364828 IKO  LRT12514060

版权所有©2009-2015 轴承狗zcgou.com ICP备案:津ICP备14004550号-13