SKF11206TN9轴承详细参数

发布时间:2026-04-15
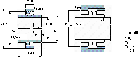
自调心球轴承, 圆柱孔和圆锥孔, 宽内圈
主要数据尺寸 基本负荷额定值 疲劳负荷限值 额定速度 体积 型号
动态 静态 参照速度 限制速度
d D B C C0 Pu
mm kN kN r/min kg -
30624815,64,650,24-67000,3511206 TN9

SKF11206TN9自调心球轴承供应商

八零动力专业销售11206TN9自调心球轴承,库存SKF11206TN9大量现货,与SKF合作,咨询热线:022-58519723业务咨询
SKF11206TN9成就非凡转动体验让您的设备一顺到底,机械的心脏它的静音设计,让机械运转如丝般顺滑 它的精密测量技术,确保了每一件产品的品质 优秀的轴承,就像精密仪器的心脏,确保着整个系统的高效运转以精湛工艺,八零动力SKF自调心球轴承品种全,价格优,质量有保证!

用户关注最多的SKF轴承型号

SKF231/710CA/W33 SKF23238CCK/W33+AH3238G* SKF313-Z SKF32212J2/QDFC290 SKF61814-RZ SKF6203NR* SKF7302B SKF7405BCBM SKFCR11171 SKFCR12X18X3HM4R SKFCR230X260X15HMSA10V SKFCR7636 SKFNKX60Z SKFNUP238ECMA* SKFOKCX460

11206TN9自调心球轴承近似的SKF轴承型号

SKF11206TN9 SKF11206TN9 SKF11207TN9

用户关注最多的轴承狗热门型号

STEYR  NU1008 SKF  NJ2232ECMA GMN  7010C/DF GMN  7219AC/DT SNR  7240AC/DF KOYO  NN3080 FAG  BND3232-Z-T-AF-S SKF  FYR2.15/16H SKF  SYJ55KF SKF  HCRE020R SKF  PCZ1216M TIMKEN  72225C/72488D+X1S-72225 NTN  6301-RZ TIMKEN  HM231148/HM231111CD FAG  22308-E1-K

版权所有©2009-2015 轴承狗zcgou.com ICP备案:津ICP备14004550号-13