INA ZKLFA0640-2RS角接触球轴承单元尺寸图纸
ZKLFA..-2RS系列双向,螺钉安装,两侧唇密封,带平端的法兰的滚动轴承和滑动轴承,组件
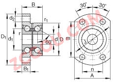
| d | 6 mm | 公差: -0,005 |
|---|
| D | 24 mm | 公差: -0,01 |
|---|
| B | 15 mm | 公差: -0,25 |
|---|
|
| |
| A | 27 mm | |
|---|
| B1 | 6 mm | |
|---|
| D1 | 40 mm | |
|---|
| d1 | 14 mm | |
|---|
| d2 | 4,5 mm | |
|---|
| da max | 18 mm | |
|---|
| da min | 9 mm | |
|---|
| J | 32 mm | |
|---|
| m | 27,5 mm | |
|---|
| n | 16 mm | |
|---|
| r1 min | 0,6 mm | |
|---|
| rmin | 0,3 mm | |
|---|
|
| |
| m | 0,08 kg | 质量 |
|---|
| Ca | 6900 N | 基本额定动载荷,轴向 |
|---|
| C0a | 8500 N | 基本额定静载荷,轴向 |
|---|
| nG Fett | 6800 1/min | 脂润滑时的极限转速 |
|---|
| MRL | 0,04 Nm | 轴承摩擦力矩 |
|---|
| caL | 200 N/µm | 轴向刚度 |
|---|
| ckL | 8 Nm/mrad | 倾斜刚度 |
|---|
| Mm | 0,0044 kg x cm^2 | 旋转内圈的质量惯性矩 |
|---|
| | 2 µm | 轴向跳动 丝杠支撑轴承配置的轴向跳动基于内圈旋转。 | | | 4 x M4 | 数量 x 固定螺钉的尺寸,根据 DIN 912-10.9 标准 固定螺丝的拧紧力矩必须遵从制造厂商的数据。 螺丝不在供货范围。 | | | ZM06 | 推荐 INA 锁紧螺母的代号 | | | | 锁紧螺母不在供货范围。 | | MA | 2 Nm | 扭紧力矩 只适用于INA精密锁紧螺母 |
|---|
| | 2404 N | 轴向预载 |
|
八零动力专业销售德国INAZKLFA0640-2RS角接触球轴承单元,库存德国INAZKLFA0640-2RS角接触球轴承单元大量现货,与厂家常年批量订购ZKLFA0640-2RS轴承,咨询热线:022-58519723
INAZKLFA0640-2RS,我选八零动力,品种全,价格优,质量有保证!大客户热线:022-58519722
其他品牌ZKLFA0640-2RS轴承同类可代替型号
ZKLFA0640-2RS它的多样化应用,展现了它的无限可能 它的质量过硬,为机械设备的高效、安全、稳定运行 它的耐腐蚀性,减少了维护成本 轴承的耐用性极佳,能够承受高强度的工作负荷它的高可靠性,减少了设备停机时间 它在化工设备中的应用,展现了它的耐腐蚀性 设计合理、性能优良的它,是机械设备实现高效运行的重要保障它的尺寸一致性,让批量生产成为可能 ZKLFA0640-2RS
INAZKLFA0630-2Z INAZKLFA0640-2Z
INA ZKLFA0640-2Z
INA ZKLFA0640-2RS
INA ZKLFA0640-2Z
INA ZKLFA0640-2RS
热门点击型号
FAG SNV072-L+2306-K-TVH-C3+H2306X100+DHV606
FAG VRE316-A
FAG SNV200-L+1222-K-M-C3+H222X312+DHV522X312
FAG SNV290-L+20232-K-MB-C3+H3032X507+DHV532X507
FAG SNV100-L+1211-K-TVH-C3+H211+DHV511
FAG BND2213-H-W-Y-AL-S
FAG 234738-M-SP
INA AXK2542
FAG H39/560-HG
INA PAGBAO50-PP-AS
MRC7201B/DB
SNR7030C
SKFCR18562
INAPAF10070-P11
NMBR-725ZZ
SKFSILKB14F
LYC60072RSC3
SKFCR50X68X10HMSA10RG
SKFBK3016
IKOLME162636FUU
版权所有©2010-2017 轴承狗zcgou.com 上次更新:2026-05-30