INA RWU65-E-L滑块尺寸图纸

RWU..-E-L系列用于直线循环滚子轴承及导轨组件中带满装循环滚子系统的长系列滑块,油或脂润滑的直线导引系统

目录

INA RWU65-E-L轴承基本参数

INA滑块 RWU65-E-L, 用于直线循环滚子轴承及导轨组件中带满装循环滚子系统的长系列滑块,油或脂润滑
压缩载荷拉伸载荷对所有轴的力矩全部密封脂润滑油润滑
INA滑块 RWU65-E-L, 用于直线循环滚子轴承及导轨组件中带满装循环滚子系统的长系列滑块,油或脂润滑
INA滑块 RWU65-E-L, 用于直线循环滚子轴承及导轨组件中带满装循环滚子系统的长系列滑块,油或脂润滑
润滑接头位于滑块端盖侧面
INA滑块 RWU65-E-L, 用于直线循环滚子轴承及导轨组件中带满装循环滚子系统的长系列滑块,油或脂润滑
润滑连接在上面
INA滑块 RWU65-E-L, 用于直线循环滚子轴承及导轨组件中带满装循环滚子系统的长系列滑块,油或脂润滑
端面润滑接头尺寸
INA滑块 RWU65-E-L, 用于直线循环滚子轴承及导轨组件中带满装循环滚子系统的长系列滑块,油或脂润滑
根据 DIN 71412-A 标准的润滑嘴 M6
INA滑块 RWU65-E-L, 用于直线循环滚子轴承及导轨组件中带满装循环滚子系统的长系列滑块,油或脂润滑
带活接头螺母接头
INA滑块 RWU65-E-L, 用于直线循环滚子轴承及导轨组件中带满装循环滚子系统的长系列滑块,油或脂润滑
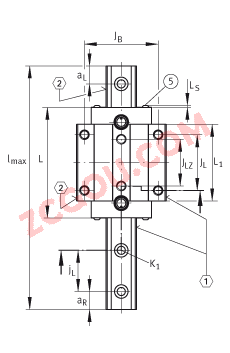
载荷方向
 
H90 mm  
B170 mm  
L261,9 mm 因为上部润滑孔的原因,滑块需要被覆盖的最小长度。
 
1) 定位面
2) 标记
5) 安装螺钉
A153,5 mm  
A319,6 mm  
A419,6 mm  
aL max61 mm a L 和 a R 取决于导轨的长度 l max
aL min20 mm a L 和 a R 取决于导轨的长度 l max
aR max61 mm a L 和 a R 取决于导轨的长度 l max
aR min20 mm a L 和 a R 取决于导轨的长度 l max
b63 mm 公差: -0,005 / -0,035
G2M16 根据 DIN ISO 4762-12.9的螺钉

最大锁紧力矩 [MA](Nm):
M6 = 10
M8 = 24
M10 = 41
M12 = 83
M14 = 140
M16 = 220
M20 = 470
GSM4x4 DIN EN ISO 4027
H111,5 mm  
H439,2 mm  
H515 mm  
h53,8 mm  
h128,8 mm 公差: +/-0,5
JB142 mm  
JL110 mm  
JL548,8 mm 周围结构上润滑孔的位置。
JL668,1 mm  
JLZ82 mm  
jL75 mm  
K1M16 根据 DIN ISO 4762-12.9的螺钉

最大锁紧力矩 [MA](Nm):
M6 = 17
M8 = 41
M12 = 140
M14 = 220
M16 = 340
M24 = 1100
K3M14 根据 DIN ISO 4762-12.9的螺钉

最大锁紧力矩 [MA](Nm):
M5 = 10
M6 = 17
M8 = 41
M10 = 83
M12 = 140
M14 = 220
M16 = 340
K6M14 根据 DIN ISO 7984-8.8的螺钉

最大锁紧力矩 [MA](Nm):
M6 = 10
M8 = 24
M10 = 48
M12 = 83
M14 = 130
M16 = 220
L1207,6 mm  
LS2,75 mm  
lmax2520 mm 单根导轨的最大长度;更长的导轨可以分成几段供货,并且相应地标注。
根据合同约定,单根导轨最大长度可达到6米。
N26 mm 周边结构润滑孔的最大直径。
N3M6 最大螺钉深度 6 mm
N4M6  
O18x1,5 mm DIN 3771
T523,3 mm  
T623,3 mm  
W1010 mm 距平面侧的宽度
W77 mm 距平面侧的宽度
W88 mm 距平面侧的宽度
 
mW13,8 kg 滑块的质量
mS21,5 kg/m 导轨的质量
C270000 N 基本额定动载荷
C0640000 N 基本额定静载荷
M0x7600 Nm 绕 X 轴的额定静扭矩
M0y24000 Nm 绕 Y 轴的额定静扭矩
M0z21500 Nm 绕 Z 轴的额定静扭矩

INA RWU65-E-L轴承供货商

八零动力专业销售德国INARWU65-E-L滑块,库存德国INARWU65-E-L滑块大量现货,与厂家常年批量订购RWU65-E-L轴承,咨询热线:022-58519723业务咨询

INARWU65-E-L,我选八零动力,品种全,价格优,质量有保证!大客户热线:022-58519722

其他品牌RWU65-E-L轴承同类可代替型号

RWU65-E-L运转起来如此顺滑,这款轴承的制造工艺着实令人赞叹转动世界的精密之选,制造工艺先进,使得这款轴承的性能远超普通产品它的每一次转动,都是对精准度的极致追求 轴承的稳定性和可靠性表现出色,赢得了用户的高度认可它的耐用性,赢得了无数用户的信赖 它的密封性能,完美抵御灰尘和杂质的侵袭 它的抗冲击能力,让它经久不衰 RWU65-E-L

INA RWU65-E-L轴承近似型号

INARWU65-E-HL INATASE20-N INA RWU65-E INA RWU65-E-H INA RWU65-E-L INA RWU65-E-HL

热门点击型号

FAG SNV062-L+21305-E1-TVPB+DHV305 FAG SNV062-L+21305-E1-TVPB+FSV305 INA TSX35-E FAG ZRB64X75-QP FAG SNV100-L+20211-K-TVP-C3+H211X115+TSV511X115 FAG 7005-B-TVP INA GIR35-UK-2RS INA GE200-FW-2RS FAG HC71920-E-T-P4S FAG NJ2328-E-M1+HJ2328E NSK22313EAKE4 SKF6210/HR11TN NSK40BER19XE INAK16X22X20 TIMKEN16FSH35-TT FAGBND3260-Z-Y-BF-S LYCNU1028M/P6 FAG23132-E1A-K-M+H3132 TIMKENHM89443/HM89410-B SKFSAF22538x6.7/8

版权所有©2010-2017 轴承狗zcgou.com 上次更新:2026-04-14