INA RWU35-E-KT-L滑块尺寸图纸

RWU..-E-KT-L系列用于直线循环滚子轴承及导轨组件中链引导的长系列滑块,油或脂润滑的直线导引系统

目录

INA RWU35-E-KT-L轴承基本参数

INA滑块 RWU35-E-KT-L, 用于直线循环滚子轴承及导轨组件中链引导的长系列滑块,油或脂润滑
压缩载荷拉伸载荷对所有轴的力矩全部密封脂润滑油润滑
INA滑块 RWU35-E-KT-L, 用于直线循环滚子轴承及导轨组件中链引导的长系列滑块,油或脂润滑
INA滑块 RWU35-E-KT-L, 用于直线循环滚子轴承及导轨组件中链引导的长系列滑块,油或脂润滑
润滑接头位于滑块端盖侧面
INA滑块 RWU35-E-KT-L, 用于直线循环滚子轴承及导轨组件中链引导的长系列滑块,油或脂润滑
润滑连接在上面
INA滑块 RWU35-E-KT-L, 用于直线循环滚子轴承及导轨组件中链引导的长系列滑块,油或脂润滑
端面润滑接头尺寸
INA滑块 RWU35-E-KT-L, 用于直线循环滚子轴承及导轨组件中链引导的长系列滑块,油或脂润滑
根据 DIN 71412-A 标准的润滑嘴 M6
INA滑块 RWU35-E-KT-L, 用于直线循环滚子轴承及导轨组件中链引导的长系列滑块,油或脂润滑
带活接头螺母接头
INA滑块 RWU35-E-KT-L, 用于直线循环滚子轴承及导轨组件中链引导的长系列滑块,油或脂润滑
载荷方向
 
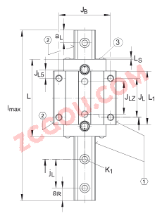
H48 mm  
B100 mm  
L148,7 mm 因为上部润滑孔的原因,滑块需要被覆盖的最小长度。
 
1) 定位面
2) 标记
3) 安装螺钉
A133 mm  
A36,6 mm  
A45,6 mm  
aL max31 mm a L 和 a R 取决于导轨的长度 l max
aL min20 mm a L 和 a R 取决于导轨的长度 l max
aR max31 mm a L 和 a R 取决于导轨的长度 l max
aR min20 mm a L 和 a R 取决于导轨的长度 l max
b34 mm 公差: -0,005 / -0,035
G2M10 根据 DIN ISO 4762-12.9的螺钉

最大锁紧力矩 [MA](Nm):
M8,M10 = 41
GSM2,5x3 DIN EN ISO 4026
H16,5 mm  
H420,5 mm  
H58 mm  
h30 mm  
h117,5 mm 公差: +/-0,5
JB82 mm  
JL62 mm  
JL527,2 mm 周围结构上润滑孔的位置。
JL637,4 mm  
JLZ52 mm  
jL40 mm  
K1M8 根据 DIN ISO 4762-12.9的螺钉

最大锁紧力矩 [MA](Nm):
M6 = 17
M8 = 41
M12 = 140
M14 = 220
M16 = 340
M24 = 1100
K3M8 根据 DIN ISO 4762-12.9的螺钉

最大锁紧力矩 [MA](Nm):
M5 = 10
M6 = 17
M8 = 41
M10 = 83
M12 = 140
M14 = 220
M16 = 340
K6M8 根据 DIN ISO 7984-8.8的螺钉

最大锁紧力矩 [MA](Nm):
M6 = 10
M8 = 24
M10 = 48
M12 = 83
M14 = 130
M16 = 220
L1111 mm  
LS2,2 mm  
lmax2960 mm 单根导轨的最大长度;更长的导轨可以分成几段供货,并且相应地标注。
根据合同约定,单根导轨最大长度可达到6米。
N26 mm 周边结构润滑孔的最大直径。
N3M6 最大螺钉深度 6 mm
N4M6  
O10x1,5 DIN 3771
T512 mm  
T610,9 mm  
W1010 mm 距平面侧的宽度
W77 mm 距平面侧的宽度
W88 mm 距平面侧的宽度
 
mW2,28 kg 滑块的质量
mS5,9 kg/m 导轨的质量
C54000 N 基本额定动载荷
C0126000 N 基本额定静载荷
M0x1100 Nm 绕 X 轴的额定静扭矩
M0y2500 Nm 绕 Y 轴的额定静扭矩
M0z2250 Nm 绕 Z 轴的额定静扭矩

INA RWU35-E-KT-L轴承供货商

八零动力专业销售德国INARWU35-E-KT-L滑块,库存德国INARWU35-E-KT-L滑块大量现货,与厂家常年批量订购RWU35-E-KT-L轴承,咨询热线:022-58519723业务咨询

INARWU35-E-KT-L,我选八零动力,品种全,价格优,质量有保证!大客户热线:022-58519722

其他品牌RWU35-E-KT-L轴承同类可代替型号

RWU35-E-KT-L它的可回收性,减少了废弃物处理成本 精密与耐用的完美结合,高品质的轴承,在各种复杂环境下都能稳定发挥作用它的抗冲击性能,让它经得起各种考验 它的长寿命,减少了资源浪费 是您成功路上的得力助手,这款轴承的运转平稳,几乎听不到任何噪音,令人惊艳这轴承的稳定性极佳,在高速运转时也能保持良好状态RWU35-E-KT-L

INA RWU35-E-KT-L轴承近似型号

INARWU35-E-KT-HL INARWU35-E-L INA KWVE35-B-NL INA RWU35-E-KT-L INA KWVE35-B-KT-SL INA KWSE35-HL INA KWVE35-B-H INA RWU35-E INA KWVE35-B-KT-L INA RWU35-E-HL INA KWE35-H INA RWU35-E-KT-HL

热门点击型号

FAG SNV140-L+2216-K-TVH-C3+H316X211+FSV516X211 FAG SNV190-L+2318-K-M-C3+H2318X302+TCV518X310 FAG SNV200-L+2319-K-M-C3+H2319X306+DHV519 FAG SNV160-L+1218-K-TVH-C3+H218X303+DH518 FAG SNV200-L+22222-E1-K+H322X312+DHV522X312 FAG BND2268-H-C-T-BL-S FAG BND3032-H-C-Y-BL-S FAG BND3232-H-C-Y-BF-S FAG H24168-HG INA PAP8080-P10 TIMKENK40X45X17H NTN32956 TIMKEN95500/95927CD TIMKEN32316/32316 NACHIE32324J NTN604 NTNN1072 LYCNN3032K/P4 GMN7228C/DT IKOLM355270NFUU

版权所有©2010-2017 轴承狗zcgou.com 上次更新:2026-05-30