INA KR19-PP螺栓型滚轮尺寸图纸

KR..-PP系列轴向引导,两侧用塑料推力平垫圈的滚动轴承和滑动轴承,组件

目录

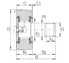
INA KR19-PP轴承基本参数

INA螺栓型滚轮 KR19-PP, 轴向引导,两侧用塑料推力平垫圈
径向载荷双侧密封全程润滑脂润滑
 
D19 mm  
d18 mm 公差:h7
B32 mm  
 
B1 max12,2 mm  
B220 mm  
C11 mm  
C10,6 mm  
d215 mm  
GM8 (x1,25)  
IG10 mm  
rmin0,15 mm  
 
m29 g 质量
MA8 Nm 螺母的锁紧力矩
Cr w3500 N 滚轮的有效额定动载荷(径向)
C0r w4000 N 滚轮的有效额定静载荷(径向)
Cur w540 N 疲劳极限载荷
nD G11000 1/min 转速(脂润滑下连续运转)
 NIPA1 紧配合润滑嘴
轻压配合润滑油嘴松散提供。
只能使用所提供的润滑油嘴。
  只有法兰端有再润滑孔,该端面带有安装时防止转动的长槽。

INA KR19-PP轴承供货商

八零动力专业销售德国INAKR19-PP螺栓型滚轮,库存德国INAKR19-PP螺栓型滚轮大量现货,与厂家常年批量订购KR19-PP轴承,咨询热线:022-58519723业务咨询

INAKR19-PP,我选八零动力,品种全,价格优,质量有保证!大客户热线:022-58519722

其他品牌KR19-PP轴承同类可代替型号

KR19-PP从制造工艺到实际性能,这款轴承都表现得十分出色,高品质的轴承,在各种复杂工况下都能展现出卓越的性能表现它的材质选择,体现了对耐用性的极致追求 它的润滑技术,减少了润滑剂的使用 轴承的耐用性出色,能够长时间保持良好的工作状态坚固的结构稳定的性能它的可靠性,赢得了无数用户的信赖 承载重载历经岁月KR19-PP

INA KR19-PP轴承近似型号

INAKR19 INAKR19-SK-PP INA KR19-PP INA KR19-SK-PP INA KRE19-PP INA KRV19-PP INA KR19

热门点击型号

INA RMWE12-RB/149x../30 FAG SNV120-L+20213-K-TVP-C3+H213+FSV513 FAG SNV072-L+1306-K-TVH-C3+H306X015+TCV606X015 FAG SNV160-L+21315-E1-K+H315X208+TCV615X208 FAG SNV110-L+21310-E1-K+H310X112+TSV610X112 FAG 61812-2Z-Y FAG 7304-B-2RS-TVP FAG H24068-HG FAG HCB7209-E-2RSD-T-P4S INA PAP8040-P14 NTNNU208E TIMKENG1014KLLB SKFIR380x415x100 TORRINGTON FAFNIR7320B INAS3525 NACHINUP2340 FAGH30/530-HG MACNUP2307 FAGSNV085-L+20209-TVP+TSV209 LYCN319M/P5

版权所有©2010-2017 轴承狗zcgou.com 上次更新:2026-04-15