INA KGBAO30-PP-AS直线球轴承及轴承座单元尺寸图纸
KGBAO..-PP-AS系列开式设计,密封,脂润滑,带再润滑设施;可提供耐腐蚀设计的直线导引系统
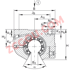
| Fw | 30 mm | |
|---|
| H | 63,5 mm | |
|---|
| B | 84 mm | |
|---|
| L | 68 mm | 公差:h12 |
|---|
|
| |
| | 5 | 球的列数 | | 1) | | 主载荷方向 |
|---|
| A3 | 14 mm | |
|---|
| A5 | 42 mm | 公差: +/-0,01 |
|---|
| B2 | 13,6 mm | 和直径 Fw 有关的尺寸 B2 |
|---|
| H2 | 35 mm | 公差: +/-0,01 |
|---|
| H6 | 8,7 mm | 公差: -0,5 |
|---|
| JB | 68 mm | 公差: +/-0,2 |
|---|
| JL | 45 mm | 公差: +/-0,2 |
|---|
| K5 | M6 | 根据 ISO 4762-8.8 标准的固定螺钉 如果有调节螺钉,应有螺钉防松措施。 |
|---|
| K8 | NIPA2 | 润滑嘴 |
|---|
| L4 | 60 mm | |
|---|
| L5 | 48 mm | |
|---|
| N1 | 6,8 mm | |
|---|
| N3 | 11 mm | |
|---|
| W1 | 3 mm | 记下最大的锁紧力矩。 最大拧紧力矩 4 Nm |
|---|
| α | 54 ° | |
|---|
|
| |
| m | 0,53 kg | 质量 |
|---|
| C | 3700 N | 在主载荷方向的基本额定载荷
基本额定载荷仅适用于淬硬(670+170 HV)及磨削过的作为滚道的轴。 |
|---|
| C0 | 3000 N | 在主载荷方向的基本额定载荷
基本额定载荷仅适用于淬硬(670+170 HV)及磨削过的作为滚道的轴。 |
|---|
|
八零动力专业销售德国INAKGBAO30-PP-AS直线球轴承及轴承座单元,库存德国INAKGBAO30-PP-AS直线球轴承及轴承座单元大量现货,与厂家常年批量订购KGBAO30-PP-AS轴承,咨询热线:022-58519723
INAKGBAO30-PP-AS,我选八零动力,品种全,价格优,质量有保证!大客户热线:022-58519722
其他品牌KGBAO30-PP-AS轴承同类可代替型号
KGBAO30-PP-AS承载重载历经岁月它的抗冲击性能,让它经得起各种考验 性能卓越的它,为机械设备的稳定运行提供了可靠保障不得不说,这款轴承的品质过硬,在行业内堪称典范,它的滚动体分布均匀,运转平稳无振动 它的抗压强度,让它承载能力惊人 从制造工艺到实际性能,这款轴承都表现得十分出色,它的可靠性,赢得了无数工程师的信任 KGBAO30-PP-AS
INAKGBAO25-PP-AS INAKGBAO40-PP-AS
INA KTNOS30-C-PP-AS
INA KGSCS30-PP-AS
INA KGBS30-PP-AS
INA KTHK30-B-PP-AS
INA KTBO30-PP-AS
INA KTSS30-PP-AS
INA PAGBA30-PP-AS
INA KTSOS30-PP-AS
INA KTB30-PP-AS
INA KGHK30-B-PP-AS
热门点击型号
INA TSWW30
FAG SNV200-L+22222-E1-K+H322X312+TCV522X312
FAG SNV130-L+2215-K-TVH-C3+H315X210+TCV515X210
FAG 20312-K-TVP-C3+H312
FAG BND3136-H-W-T-BL-S
FAG H2340-HG
FAG HSS71920-E-T-P4S
FAG LOE230-N-BF-L
INA LR25X30X38,5
INA PAW22-P14
INABKE.TKVD35-O
FAGBSB050100-T
SKFNUP211ECM*
SKFNNCF5064CV
INAK10X13X13-TV
NTN7811C
RHP7332B/DT
STEYRNJ2234E
IKONAST10ZZUU
IKOCRWM4-480
版权所有©2010-2017 轴承狗zcgou.com 上次更新:2026-05-30