INA GWN12轴支撑块尺寸图纸

GWN系列的直线导引系统

目录

INA GWN12轴承基本参数

INA轴支撑块 GWN12,
INA轴支撑块 GWN12,
 
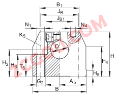
D12 mm 公差:H8
H35 mm  
B43 mm  
L20 mm  
 
A521,5 mm 公差: +/-0,01
B134 mm  
G2M6  
H220 mm 公差: +/-0,01
H426,5 mm  
H55,5 mm  
H616,5 mm  
JB30 mm 公差: +/-0,15
JB120 mm  
JL13 mm  
K5M5 根据 ISO 4762-8.8 标准的固定螺钉
如果有调节螺钉,应有螺钉防松措施。
N15,3 mm  
N310 mm  
N44 mm 销孔的中心
T513 mm  
W3 mm  
 
m0,06 kg 轴支撑块的质量

INA GWN12轴承供货商

八零动力专业销售德国INAGWN12轴支撑块,库存德国INAGWN12轴支撑块大量现货,与厂家常年批量订购GWN12轴承,咨询热线:022-58519723业务咨询

INAGWN12,我选八零动力,品种全,价格优,质量有保证!大客户热线:022-58519722

其他品牌GWN12轴承同类可代替型号

GWN12它的抗剪切性能,确保了它的结构稳定性 高精度低摩擦它的径向跳动控制,达到了行业顶尖水平 它的品质卓越,为机械设备的高效、稳定运行保驾护航它在汽车工业中的应用,让车辆运行更加平稳 它的故障率极低,确保了设备的稳定运行 它的承载能力,堪称机械界的“大力士” 精湛的制造工艺赋予了这款轴承卓越的性能和品质 GWN12

INA GWN12轴承近似型号

INAGWH50 INAGWN16 INA GWN12 INA GWH12 INA GWA12 INA GW12

热门点击型号

INA RUDS25-D-H FAG SNV072-L+1207-K-TVH-C3+H207X102+DHV507X102 INA XU080149 FAG ZRB62X80-QP FAG SNV120-L+22311-E1-K+H2311X115+FSV611X115 FAG SNV140-L+22313-E1-K+H2313+TSV613 FAG SNV215-L+1320-K-M-C3+H320X308+TSV620X308 FAG BND3268-H-W-T-AF-S INA GE75-KRR-B-FA164 FAG HCB7001-E-2RSD-T-P4S STEYR2209K TIMKEN2476/02420A GMN7209B/DB FAGNU1008-M1 FAGH206X014 FAGNJ2220-E-TVP2 TIMKEN60TP125 LYC23168CAK/W33 LYCGEG80ES IKOLM81517F

版权所有©2010-2017 轴承狗zcgou.com 上次更新:2026-05-30