


| 型号 | HGH15CA | |
|---|---|---|
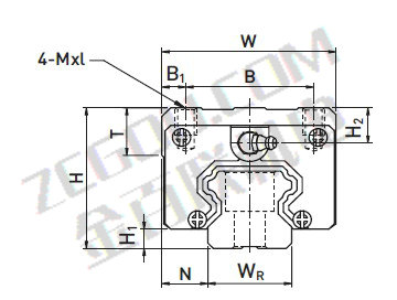
| 组件尺寸 | H | 28 |
| H1 | 4.3 | |
| N | 9.5 | |
| 滑块尺寸 | W |
34 |
| B | 26 | |
| B1 | 4 | |
| C | 26 | |
| L1 | 39.4 | |
| L | 61.4 | |
| K1 | 10 | |
| K2 | 4.85 | |
| G | 5.3 | |
| M×l | M4×5 | |
| T | 6 | |
| H2 | 7.95 | |
| H3 | 7.7 | |
| 基本动额定负荷 | C | 11.38 |
| 基本静额定负荷 | C0 | 16.97 |
| 容许静力矩 | MR | 0.12 |
| MP | 0.1 | |
| MY | 0.1 | |
| 重量 | kg/m | 0.18 |
八零动力专业销售HIWINHGH15CA滑块,库存HGH15CA滑块,与HIWIN公司常年批量订购HGH15CA,咨询热线:022-58519723![]()
HIWINHGH15CA 优秀的轴承,就像精密仪器的心脏,确保着整个系统的高效运转它的加工精度,确保了机械运转的稳定性 它的抗氧化性能,延长了它的使用寿命 精密与耐用的完美结合,精湛的工艺打造出的轴承,精度和稳定性都令人称赞它的低摩擦设计,减少了能量损耗 轴承的耐用性出色,能够长时间保持良好的工作状态它的抗剪切性能,确保了它的结构稳定性 是机械世界的璀璨明星,轴承的选材精良,确保了其具有良好的耐磨性和抗腐蚀性它的材质选择,体现了对耐用性的极致追求 制造工艺精湛,使得这款轴承的精度和稳定性都非常出色HIWINHGH15CA电询