FAG VRE305-F直立式轴承座单元尺寸图纸

VRE3..-F系列非剖分,轴和两个深沟球轴承,轴向通过弹簧调节,脂润滑,带毡密封+V型圈的滚动轴承和滑动轴承,组件

目录

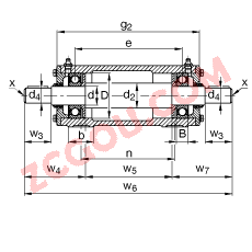
FAG VRE305-F轴承基本参数

FAG直立式轴承座单元 VRE305-F, 非剖分,轴和两个深沟球轴承,轴向通过弹簧调节,脂润滑,带毡密封+V型圈
径向载荷单向轴向载荷双侧密封全程润滑脂润滑
FAG直立式轴承座单元 VRE305-F, 非剖分,轴和两个深沟球轴承,轴向通过弹簧调节,脂润滑,带毡密封+V型圈
 
a155 mm  
h187 mm  
g2198 mm  
 
B17 mm  
b35 mm  
c16 mm  
D62 mm  
d25 mm  
d235 mm  
d419 mm  
e147,25 mm  
h45 mm  
m120 mm  
n135 mm  
sM12 mm  
w340 mm  
w491,25 mm  
w5116,25 mm  
w6298 mm  
w790,5 mm  
 
 6305-C3 型号,轴承,左侧
 6305-C3 型号,轴承,右侧
 VR305-F 轴承座
 VRW305-F 轴,完全
m15 kg 质量,轴承座
m27 kg 质量,单元
 VRE3 型号,轴承单元系列

FAG VRE305-F轴承供货商

八零动力专业销售德国FAGVRE305-F直立式轴承座单元,库存德国FAGVRE305-F直立式轴承座单元大量现货,与厂家常年批量订购VRE305-F轴承,咨询热线:022-58519723业务咨询

FAGVRE305-F,我选八零动力,品种全,价格优,质量有保证!大客户热线:022-58519722

其他品牌VRE305-F轴承同类可代替型号

VRE305-F它的品质卓越,为机械设备的高效、稳定运行保驾护航这款轴承的性能卓越,有效提高了设备的运行可靠性引领行业速度,我们的轴承始终稳如磐石是您成功路上的得力助手,它的加工精度,确保了机械运转的稳定性 它的抗冲击能力,让它经久不衰 它的抗冲击性能,让它经得起各种考验 轴承的稳定性和可靠性都十分出色,赢得了用户的信赖VRE305-F

FAG VRE305-F轴承近似型号

FAGVRE305-E FAGVRE306-A FAG VRE305-B FAG VRE305-D FAG VRE305-F FAG VRE305-A FAG VRE305-C FAG VRE305-E

热门点击型号

FAG SNV062-L+2206-TVH+TSV206 INA YRT1030 FAG SNV160-L+22315-E1-K+H2315X208+TSV615X208 FAG SNV215-L+21320-E1-TVPB+TSV320 FAG SNV130-L+22312-E1+TCV312 FAG SNV150-L+2217-M+DH217 FAG S6307-2RSR FAG 6316-2RSR FAG BND3226-H-W-T-BL-S INA KBS40-PP SKFZ004 BARDEN71919C/DT SKFCR13509 FYHUEL209 KOYO152FC108787D SKF22260CAC/W33 FAGSNV090-L+1210-K-TVH-C3+H210+TSV510 SKFCR86850 RHP7006AC SNR3303

版权所有©2010-2017 轴承狗zcgou.com 上次更新:2026-04-14